HSE管理
实、细、严、快、精
信息公开
当前位置:首页» HSE管理» 信息公开»正文
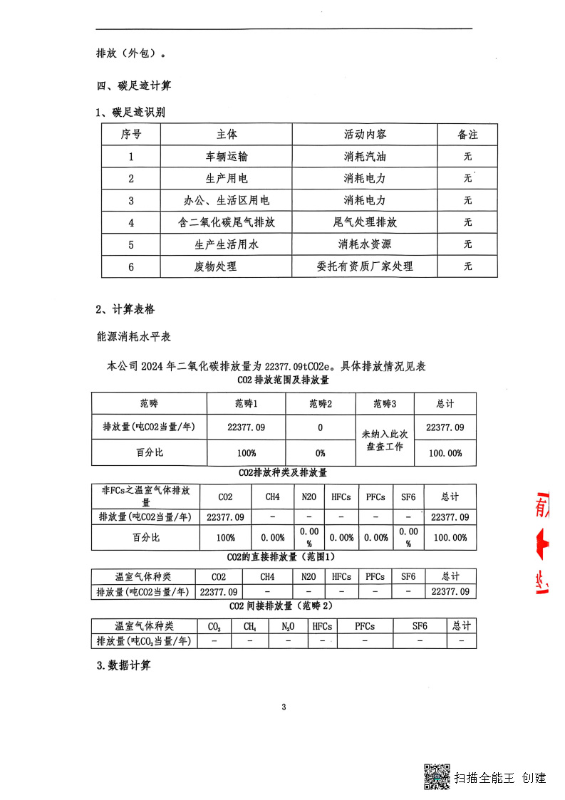
2024年度碳足迹核查报告
2025-04-08
2024年度碳足迹核查报告2024年度碳足迹核查报告2024年度碳足迹核查报告2024年度碳足迹核查报告2024年度碳足迹核查报告
HSE管理
全国咨询热线
  • 国际
    0317-4166657
    0317-4166670
  • 国内
    0317-4166689
    0317-4166659
版权所有©巨龙钢管有限公司 网站备案:冀ICP备 05018103号-1
技术支持:七星网络
首页 电话 联系